facebook no-scripts

Vändkrans kullagrad 90S/1100.20 två radig - Jost KLK DR 1100-20, bultmönster 1

Vändkrans kullagrad 90S/1100.20  två radig

Fler bilder

Artikel nr: 740120 Enhet:Stk Tillgängligt: På lager

Mer Info

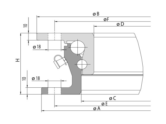
Jost Vändkrans kullagrad
H: 90mm
øA: 1095mm
øB: 1108mm
øE: 1060mm
øF: 1074mm
Tillåten axiell belastning: 20t
Vikt: 80kg
Borr mall: 1
Två radig
E-coatet & förborrad
Jost KLK DR 1100-20

Specification

Net Weight:80.0000 Line Disc:14000
bevola 18-03-2026 05:18:57
Produkt Antal Pris
Total pris exkl. moms 0,00  SEK