facebook no-scripts

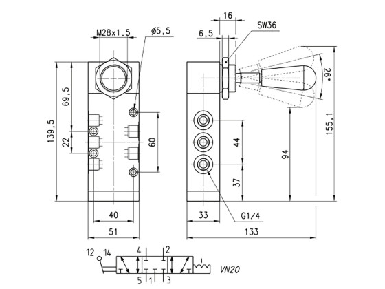
Ventil 5/3-vägs

Ventil 5/3-vägs

Fler bilder

Artikel nr: 198538 Enhet:Stk Tillgängligt: Leveranstid 2-5 dagar

Mer Info

Ventil 5/3-vägs
Manuell
¼” gängor
Stängd center
464-900

Specification

Net Weight:0.7000 Line Disc:21000
bevola 18-03-2026 05:11:24
Produkt Antal Pris
Total pris exkl. moms 0,00  SEK